Rendszerkereső - Kiegészítő termékek - Ajtólap feszítők
OMM – Ajtólap feszítők
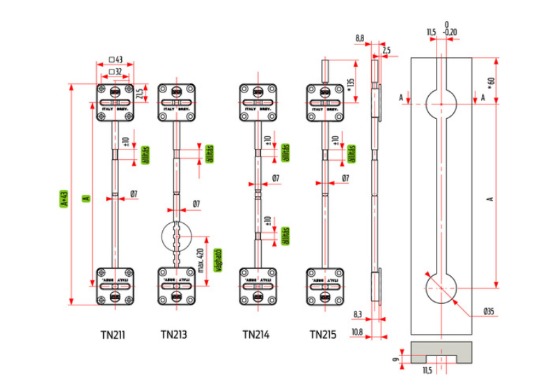
Nagyméretű ajtólapok hosszirányban történő görbülésének megelőzésére, illetve a görbült lapok kiegyenesítésére használható szerelvény. Az ajtólap feszítők beltéri- és bútorajtókhoz használható típusban is elérhetőek.
Gyártó
O.M.M 

Milyen formában találod meg nálunk?
vasalat
(profilok szálban, alkatrészek)
Letöltések
Nem találja amit keres? Segítünk! Vegye fel a kapcsolatot szakértő munkatársainkkal!












